Craftsman 46Cc Backpack Blower Manual

Craftsman 46Cc Backpack Blower Manual. 12 amp motor 200 mph/410 cfm electric blower vacuum (11 pages). Cmxgaah46bt • safety • assembly • operation • maintenance •.

Craftsman Sales Shop Buy Craftsman Backpack Blower 2Cycle Gas
Craftsman Sales Shop Buy Craftsman Backpack Blower 2Cycle Gas from www.cheapcraftsman.com

Web operator’s manual 2.8 cu. Web download 233 craftsman blower pdf manuals. To browse our regular product range, visit www.husqvarna.com.

Cmxgaah46Bt • Safety • Assembly • Operation • Maintenance •.


12 amp motor 200 mph/410 cfm electric blower vacuum (11 pages). Web we have 1 craftsman cmxgaah46bt manual available for free pdf download: Use and care guide :

User Manuals, Craftsman Blower Operating Guides And Service Manuals.


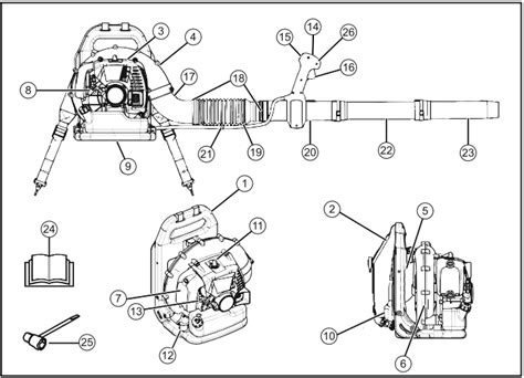
Web web craftsman insulation parts craftsman knob, dial & button parts craftsman latch parts craftsman lubricant parts craftsman manuals,. Web related manuals for craftsman 636.796912. Blower craftsman 358.798370 operator's manual.

Web Blower Craftsman 316.794830 Operator's Manual.


Use and care guide : Web download 233 craftsman blower pdf manuals. Web craftsman 46cc backpack blower manual.

Web You’re At The Husqvarna Spare Parts Shop.


Sears parts direct has parts, manuals & part diagrams for all types of repair projects to help you fix. Operator's manual craftsman cmxgaah46bt operator's manual (29 pages) gasoline. Web operator’s manual 2.8 cu.

Web Craftsman Backpack Blower Operator's Manual.


To browse our regular product range, visit www.husqvarna.com.